• Mon. May 18th, 2026

MIKROELECTRONICA

Blog pentru pasionații de electronică și nu numai

Ce este PUNTEA H ?

ByStefan

Jan 15, 2012 #H bridge

O punte H (eng.  H  Bridge) este un circuit electronic ce permite aplicarea unei tensiuni pe o sarcină în orice sens. Aceste circuite sunt adesea folosite în robotică şi alte aplicaţii pentru a permite motoarelor de curent continuu să ruleze înainte şi înapoi. Punţile H sunt disponibile ca circuite integrate  sau pot fi construite din componente discrete, tranzistoare bipolare sau MOS.

Puntea H are numele derivat de la modul obişnuit de desenare a circuitului. Aceasta este singura cale de tip solid state de a comanda motorul în ambele direcţii.

Mod de funţionare:

Atunci când întrerupătoarele S1  şi S4 (în conformitate cu figura) sunt închise şi S2 şi S3 sunt deschise o tensiune pozitivă va fi aplicate la nivelul motorului. Prin deschiderea întrerupătoarelor S1 şi S4 şi închiderea întrerupătoarelor S2 şi S3, această tensiune este inversat, astfel să permită funcţionarea inversă a motorului.

Folosind nomenclatura de mai sus, întrerupătoarele S1 şi S2 nu trebuie să fie închise în acelaşi timp, deoarece acest lucru ar provoca un scurt-circuit la sursa de tensiune (Vin). Acelaşi lucru se aplică şi întrerupătoarelor S3 şi S4.

În practică întrerupatoarele S1,S2,S3,S4 sunt tranzistoare bipolare sau MOS-FET.

 

 

 

 

 

 

 

 

Punte H realizata cu tranzistoare MOSFET complementare:

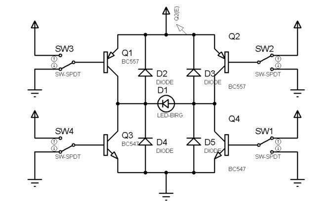
Punte-H cu tranzistoare bipolare şi logica de comandă:

Schema ISIS (simulare):

Punte H realizata cu circuite integrate (driver + etajul de putere):

By Stefan

4 thoughts on “Ce este PUNTEA H ?”
  1. Puntea-H cu tranzistoare bipolare si logica de comanda poate fi folosita cu usurinta la un Arduino?
    Ce limite de Volti/Amperaj are?

    Mersi pentru articol. Caut de ceva vreme o punte H si nu am mai gasit nicaieri atat de bine detaliat.

    1. La Arduino poti utiliza si tranzistoare MOSFET fara logica de comanda sau bipolari. Limitarile in putere (UxI) sunt date doar de tranzistoarele folosit, dar si de cum proiectezi intregul circuit. Daca folosesti tranzistori de putere mare (mai ales la bipolari) o sa ai nevoie si de un curent de comanda relativ mare, lucru ce un Arduino nu il poate face fara un driver de comanda intre microcontroler si tranzistoarele finale din puntea H.
      Iti recomand sa realizezi practic o punte H fara sa o conectezi direct la Arduino, ii faci comenzile manual si masori curentii/tensiunile necesare saturarii/blocarii tranzistoarelor finale si abia dupa ce ai priceput totul despre comanda o conectezi la Arduino.
      Numai bine si sper sa vin cu mai multe informatii pe blog.

Leave a Reply

Your email address will not be published. Required fields are marked *

*

This site uses Akismet to reduce spam. Learn how your comment data is processed.