• Thu. Apr 16th, 2026

MIKROELECTRONICA

Blog pentru pasionații de electronică și nu numai

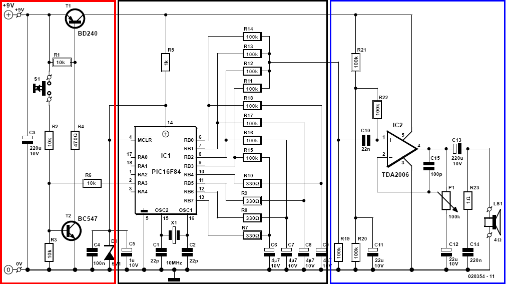
Sonerie polifonica cu PIC16F84

ByStefan

Dec 18, 2010 #electronica

By Stefan

Leave a Reply

Your email address will not be published. Required fields are marked *

*

This site uses Akismet to reduce spam. Learn how your comment data is processed.